Klemmringe geschlitzt
Die einteiligen und zweiteiligen Klemmringe von HolTech weisen neben den Merkmalen der Ausführungen mit zylindrischen Bohrungen weitere Vorteile auf. Dazu zählen die großen Haltekräfte dieser Klemmring-Ausführung sowie ihre einfache Justierung und Montage. Verschiedenste Versionen mit einer großen Auswahl an Gewindedurchmessern und -teilungen, einschließlich Nutmuttergewinden, sind erhältlich. Sie haben Fragen? Bitte setzen Sie sich mit uns in Verbindung, wir beraten Sie gerne!
Sonderanfertigungen nach Zeichnung - bitte senden Sie uns Ihre unverbindliche Anfrage!
Klemmringe geschlitzt
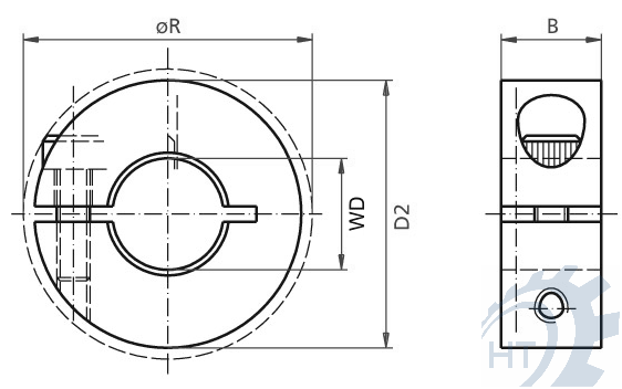
| Ausführung: | geschlitzt |
| Werkstoff: | Stahl 1.0735 brüniert |
| Bestellnummer | WD | D2 | B | Schr. Typ | ||
| 230-000-0010 | 10 | 24 | 9 | M3x10 | ||
| 230-000-0012 | 12 | 28 | 11 | M4x12 | ||
| 230-000-0014 | 14 | 30 | 11 | M4x14 | ||
| 230-000-0015 | 15 | 34 | 13 | M5x16 | ||
| 230-000-0016 | 16 | 34 | 13 | M5x16 | ||
| 230-000-0018 | 18 | 36 | 13 | M5x16 | ||
| 230-000-0020 | 20 | 40 | 15 | M6x16 | ||
| 230-000-0025 | 25 | 45 | 15 | M6x16 | ||
| 230-000-0030 | 30 | 54 | 15 | M6x18 | ||
| 230-000-0035 | 35 | 57 | 15 | M6x18 | ||
| 230-000-0040 | 40 | 60 | 15 | M6x18 | ||
| 230-000-0045 | 45 | 73 | 19 | M8x25 | ||
| 230-000-0050 | 50 | 78 | 19 | M8x25 |
Weitere PDF-Informationen, z.B. den HolTech-Gesamtkatalog, erhalten Sie in unserem Downloadbereich.
Technische Änderungen und Irrtümer vorbehalten.
Der geschlitzte Klemmring - Produktinformationen
Schonend, präzise und effizient
Geschlitzte Klemmringe von HolTech Antriebstechnik GmbH & Co. KG stellen eine optimale Lösung für das Befestigen von Komponenten auf Wellen dar, ohne diese zu beschädigen. Im Gegensatz zu herkömmlichen Stellringen, wie etwa nach DIN 703 oder 705A spezifiziert, vermeidet ein geschlitzter Klemmring die direkte Beschädigung der Welle durch übermäßigen Druck.
Die geschlitzten Klemmringe von HolTech ermöglichen eine besonders einfache und schnelle Montage. Sie können direkt von vorne auf das Wellenende geschoben und durch das Anziehen der Madenschrauben fixiert werden. Diese Methode erlaubt eine gleichmäßige Verteilung der Klemmkräfte und schützt die Welle vor potenziellen Schäden. Dank dieser Bauweise sind die Klemmringe nicht nur einfach zu montieren, sondern auch ideal für Einsatzbereiche, in denen ein häufiger Wechsel der Komponenten erforderlich ist.
Nachhaltigkeit und Sicherheit
Alle geschlitzten Klemmringe von HolTech werden mit Qualitätsschrauben ausgeliefert, die durch spezielle Zusätze am Gewinde gegen Lösen durch Vibrationen gesichert sind. Die einfache Lösbareit der Schrauben unterstützt die Nachhaltigkeit unserer Produkte, indem sie eine problemlose Wiederverwendung der Klemmringe ermöglicht.
Geschlitzte Klemmringe von HolTech sind daher die ideale Wahl für Anwendungen, die eine zuverlässige, effiziente und schonende Befestigung auf Wellen erfordern. Mit ihrer hohen Qualität und Anpassungsfähigkeit bieten sie eine ausgezeichnete Lösung für diverse industrielle Einsatzgebiete.
Gerne beraten wir Sie bei der Auswahl des passenden Klemmrings für Ihre Anforderungen! Sie erreichen uns telefonisch unter 05207 / 99565-0 oder über unser Kontaktformular.
Häufig gestellte Fragen zu Klemmringen (FAQs)
Was sind geschlitzte Klemmringe?
Geschlitzte Klemmringe sind mechanische Verbindungselemente, die verwendet werden, um Komponenten wie Wellen und Achsen sicher zu fixieren. Sie haben einen Längsschlitz, der eine hohe Flexibilität und eine einfache Montage ermöglicht. Diese Ringe werden durch Anziehen von Schrauben festgeklemmt, was einen festen Sitz ohne Notwendigkeit von zusätzlichen Keilwellen oder Passfedern gewährleistet.
Wie funktionieren geschlitzte Klemmringe?
Die Funktionsweise von geschlitzten Klemmringen basiert auf dem Prinzip der radialen Klemmung. Durch das Anziehen der Schrauben am Klemmring wird der Ringdurchmesser verkleinert, was zu einem festen und sicheren Sitz auf der Welle führt. Der Schlitz im Ring ermöglicht eine Anpassungsfähigkeit an verschiedene Wellendurchmesser und eine einfache Installation.
Welche Vorteile bieten geschlitzte Klemmringe?
Einfache Montage und Demontage: Durch den Schlitz lassen sich die Ringe leicht öffnen und schließen, was die Montage oder Demontage vereinfacht.
Hohe Haltekraft: Sie bieten eine starke und zuverlässige Verbindung, die Schwingungen und Drehmoment effektiv handhaben kann.
Vielseitigkeit: Sie sind in verschiedenen Größen und Materialien verfügbar, was sie für diverse Anwendungen passend macht.
Keine Beschädigung der Welle: Da die Befestigung rein durch Druck erfolgt, werden die Wellen nicht durch Kerben oder ähnliches beschädigt.
In welchen Anwendungen werden geschlitzte Klemmringe typischerweise verwendet?
Geschlitzte Klemmringe finden breite Anwendung in Maschinenbau, Automatisierungstechnik und in der Antriebstechnik. Typische Anwendungen umfassen:
Fixierung von Zahnrädern und Riemenscheiben auf Antriebswellen.
Sicherung von Lagern auf Wellen.
Verwendung in Linearsystemen zur Positionssicherung.
Welche Materialien werden für geschlitzte Klemmringe verwendet?
Die am häufigsten verwendeten Materialien für geschlitzte Klemmringe sind:
Stahl: Bietet hohe Festigkeit und Haltbarkeit.
Edelstahl: Ideal für Anwendungen, die Korrosionsbeständigkeit erfordern.
Aluminium: Leichtgewichtige Option für weniger beanspruchte Anwendungen.
Wie wählt man den richtigen geschlitzten Klemmring aus?
Bei der Auswahl des richtigen geschlitzten Klemmringes sollten Sie folgende Faktoren berücksichtigen:
Durchmesser der Welle: Stellen Sie sicher, dass der Innendurchmesser des Klemmrings dem Durchmesser Ihrer Welle entspricht.
Belastung: Berücksichtigen Sie die Art der Belastung (axial oder radial) und die Größe des Drehmoments, die der Klemmring aushalten muss.
Umgebungsbedingungen: Wählen Sie Material und Beschichtungen basierend auf der Umgebung, in der der Klemmring eingesetzt wird, z.B. Temperatur, Feuchtigkeit, chemische Einflüsse.
Für weitere Fragen zu geschlitzten Klemmringen und deren Einsatzmöglichkeiten stehen wir Ihnen gerne zur Verfügung. Nutzen Sie unser Fachwissen, um die optimale Verbindungslösung für Ihre Anforderungen zu finden.
Klemmringen - Sonderanfertigung und Beratung
Sie vermissen eine bestimmte Produktvariation aus dem Bereich der Klemmringe, benötigen eine Sonderanfertigung nach Zeichnung oder wünschen eine fachkundige Beratung zum Thema Klemmringe oder weiteren Produkten?
Unser Team erreichen Sie telefonisch unter: 05207 / 99565-0.
Oder nutzen Sie unser Kontaktformular.
Selbstverständlich können Sie uns Ihre Zeichnungen oder sonstigen Dokumente gleich mitübermitteln.
